Die Gewinnung von elektrischer Energie in der Wasserversorgung kann einen bedeutenden wirtschaftlichen Faktor für die Versorgungen darstellen. Durch die kostendeckende Einspeisevergütung (KEV) wurden etliche Projekte seit 2009 wirtschaftlich interessant und umgesetzt. Damit das volle Potenzial aus diesen Kraftwerken ausgeschöpft wird, müssen bei der Planung die Anlagen optimal ausgelegt werden. Um die Stromproduktion zu steigern, können diverse Optimierungen auch noch später vorgenommen werden.
Optimierung von Trinkwasserkraftwerken – Verbesserung der Wirtschaftlichkeit ohne Kompromisse
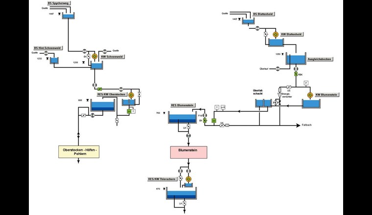
Neue Kraftwerke Schneeweid, Oberstocken, Blattenheid und Thierachern anstelle von Druckbrecherschächten, KW Blumenstein bestehend
Das Kraftwerk in Blumenstein
Auswirkung des Leitungsdurchmessers auf den Druckverlust
Lenkung der Wasserverteilung beim KW Thierachern
Reservoirbewirtschaftung durch Sollwertvorgabe (blaue Linie): Dadurch ist eine zeitlich gesteuerte Nachspeisung möglich (rote Linie = Ist-Wert).
Einzug der PE-Druckleitung in die 265 m lange Bohrung für das Kraftwerk Oberstocken
Pelton-Turbine im Kraftwerk Blattenheid mit Schauglas
Auswirkung des Leitungsdurchmessers auf die Energieproduktion